在电路的过流保护设计中,经常使用到保险丝,换句话说,合理应用保险丝对于设计可靠的过流保护电路非常重要。本文将在介绍保险丝的基本功能的基础上,介绍保险丝在锂电池保护板及LED照明灯具中的应用方案,并整理出行业内的专家们对保险丝应用中的一些常见问题的解答及经验分享,对工程师初步认识保险丝非常有帮助,对工程师进一步合理使用保险丝有指导意义。
保险丝的三项基本功能
什么样的保险丝才是好的保险丝?
保险丝的三项主要基本功能,即:
保护功能:该断的时侯要断
承载功能:不该断的时侯不能断
安全功能:断的过程必须保证安全
保险丝的保护功能决定了保险丝在需要的时侯必须动作,当被保护电路上出现不被允许的异常过电流时能够及时而有效地切断电流。要满足保险丝的保护功能,需选择恰当熔断特性和恰当的额定电流规格的保险丝品种。
并不是所有出现过流的时侯保险丝必须动作的,有些过流并不是异常的,这样的过流保险丝必须能够承受,例如,开关电源热插拔时出现的浪涌电流就是保险丝需要承载的,因此,保险丝需具备承载能力。换句话说,保险丝的承载能力保证了保险丝在绝大部分时间里的正常工作。选择有恰当熔化热能值的保险丝品种规格和放大足够并合理的安全余量才能满足保险丝的承载功能(耐脉冲能力)。
保险丝的安全功能确保了保险丝在任何条件下的绝对安全。具体来说就是,优质可靠的保险丝应该在其动作前,动作中和动作后都能保证安全性,即安全地导通和安全地熔断,不发生任何不安全的因素,如持续拉弧、多次导通、破碎、飞溅、燃烧、以至爆炸等。选择具有足够分断能力和额定电压的,并获得必要的应用地区的安全认证的保险丝品种,才能满足保险丝的安全功能。
总的来说,适当的保险丝应当具备:适当的熔断特性和额定电流;足够而合理的熔化热能值;合适的分断能力、额定电压和安全认证,只有在具备了这三个条件的基础上,同时协调好保护性能和耐脉冲能力之间的制约,求得最合理的平衡的保险丝才是最适当、最好的保险丝。
贴片保险丝在单节锂电池上的应用
锂电池被广泛用作照相机、手机等便携消费电子产品的供电电源,其安全性非常重要,故而锂电池保护板选择合适的贴片保险丝是非常必要的。锂电池保护板的主要元器件有保护IC 、MOSFET和贴片保险丝,下面将通过两个实例来说明保险丝在锂电池保护板中的选择及应用。
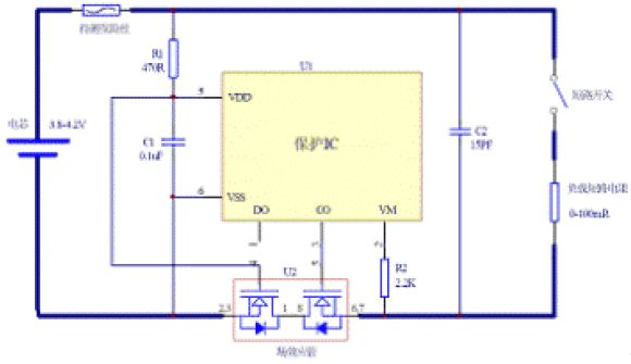
某单节锂电池保护板电路图如图1,保护IC采用SII(精工) S8261ACJ,基本参数如表1,采用的MOS管为BF9028DNJ / BF9028DNJ-A ,部分参数如表2。
图1 单节锂电池保护板电路图

表1 S-8261ACJ的部分参数

表2 MOSFET的部分参数

A:保护电路工作正常
根据公式:过电流检测电压 V = 放电电流 I x Rds(on) x 2 可以算出放电电流达到多少保护IC开始进行保护作用。
当过电流检测电压为 0.9V,MOS管内阻取最大值时候,可以检测过电流将为最小值。算出此时过电流值为15A ,此时保护IC保护延迟时间320us;当过电流检测电压 1.5V,MOS管内阻取最小值时候,可以检测过电流将为最大值。算出此时过电流值为46.875A,此时保护IC保护延迟时间380us。即,需求保险丝在46.875A时候熔断时间要大于380us,才能保证短路保护情况下保险丝不会先于保护IC熔断。
B:保护电路工作异常
保护IC失效电路示意图如图2所示,此时保护IC对短路不能起到保护作用,当负载出现短路时候需要保险丝快速熔断。

图2 保护IC失效电路示意图